Lunch & Learn Capacity filling fast
Sign Up
Post-COD · Live Project

Greenville Utilities.
Operational today.

Two of six 80,000-gallon LNG tanks plus the GreenER™ pressurization system — fabricated by Chart Industries — are now in commercial operation, delivering meaningful O&M and infrastructure savings compared with traditional designs.

Greenville Utilities GreenER LNG site — sunny day view of the patented tank installation with truck and full piping infrastructure
Operational · Post-COD
Greenville Utilities — GreenER™ LNG site
Greenville LNG facility in winter — full-containment GreenER tank handling sub-freezing operating conditions
Field-Proven
Sub-freezing winter operation · zero performance loss
Two finished GreenER LNG tanks staged on rail flatcars at Chart Industries' fabrication yard — pickup truck visible for scale
Shop-Fabricated · Made in U.S.
Tanks staged for delivery — Chart Industries yard
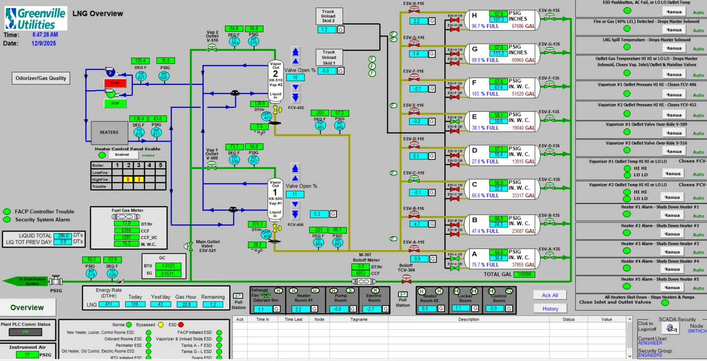
Greenville Utilities live LNG operator dashboard — tanks A through H with real-time pressure, level, vaporizer outputs, and shutdown logic
Live Plant · Operator Dashboard
GreenER™ pressure-build system in service at Greenville Utilities
Real-time flow control and monitoring across all tanks — production-grade SCADA, no extraction pumps to fail.
LIVE · Post-COD
CASE STUDY

Two 80K-gal tanks, built on a patent.

Design
GreenER™ tank design — no bottom penetrations, no extraction pumps, reduced civil footprint.
Fabrication
Tanks fabricated by Chart Industries — a trusted partner in LNG/H₂ storage.
COD
Now in commercial operation at Greenville Utilities.
Outcome
Demonstrable O&M and infrastructure savings — proof the design is better, not just different.
80K
gal per tank
2 of 6
in service · 3 more coming
0
extraction pumps
PATENT
U.S. Patent Awarded
US 12,455,047 B2
GreenER™ peak-shaving LNG tank design (bullets) — granted 11-2025. Flat-bottom applications under Provisional Patent 63/991359.
I have known and worked with the team for decades: simply put, they deliver.
Director of Natural Gas Operations
Utility Peak-Shaving Client
How We Execute Projects

Five phases.
One development team — from concept to COD.

Established technology, new applications. We don't hand off and disappear — the same partners who originated and structured the deal sign the EPC, witness commissioning, and stand behind every decision. Projects · Off-takers · Capital — orchestrated under one roof, working alongside your preferred fabricator and EPC.

01

Origination

  • Strategic market assessment
  • Site & offtake screening
  • Capital fit & sponsor strategy
02

Permitting & FEED

  • Permitting risk reduction (full-containment)
  • Pre-FEED & FEED leadership
  • Owner's engineer scope
03

EPC Wrap

  • EPC contractor selection
  • Modular GreenER™ scope freeze
  • Performance guarantees
04

Construction Oversight

  • EPC construction oversight
  • Commissioning & startup
  • Performance verification
05

Commercial Ops

  • O&M handoff to operator
  • Phased capacity growth
  • H₂ / e-NG additions on roadmap
Projects

Greenfield builds, brownfield expansions, retrofit upgrades. LNG · H₂ · e-NG · storage · pipeline energy recovery.

Off-takers

LDCs, utilities, IPPs, midstream majors, marine bunkering, data center load. Long-term offtake with credit-grade counterparties.

Capital

Co-investment optional. Op or non-op. Third-party institutional capital available where the project benefits from it.

Established Technology · New Applications
We've been doing this for decades. The patent is what's new.
Download the Deck →
Lunch & Learn